La page
du Brushless

Les moteurs brushless sont constitués d’un stator (bobine), connecté en triangle ou en étoile.
Ces moteurs sont constitués d’un stator interne comportant 3, 6, 9, 12, 24 bobines.
Un rotor, dans ce cas, une cage tournante porteur de l’arbre qui supportera l’hélice
qui restituera la puissance électrique en poucée.
Des paliers de CD ROM ou roulements à billes contribuera à la longévité
de votre moteur pouvant tourner à très grande vitesse.
Un variateur de vitesse triphasé de puissance adapté assure le bon fonctionnement
de celui-ci, les impulsions transférées par le variateur à chaque phase selon
une séquence appropriée au type de moteur que vous possédez ou fabriquez
est à régler rigoureusement pour un fonctionnement optimal.
Il existe plusieurs combinaisons possibles suivant le nombre de bobines à enrouler,
le nombre d aimants change proportionnellement.
Les plus court son ceux-ci : Bobine pôles
|
Bobines |
Pôles aimants |
Phases |
connexion |
Pas (deg) |
|
3 |
2 |
3-N |
étoile |
120 |
|
3 |
4 |
3 |
triangle |
60 |
|
6 |
2 |
3 |
triangle |
60 |
|
6 |
4 |
3 |
triangle |
30 |
|
6 |
8 |
3 |
triangle ou étoile |
15 |
|
6 |
10 |
3 |
triangle ou étoile |
12 |
|
6 |
14 |
3 |
triangle ou étoile |
8.50 |
|
9 |
12 |
3 |
triangle ou étoile |
10 |
|
12 |
8 |
3 |
triangle ou étoile |
15 |
|
12 |
14 |
3 |
triangle ou étoile |
4.30 |
|
12 |
16 |
3 |
triangle ou étoile |
7.5 |
Il est indispensable de déterminer à quel usage va t on destiner son moteur, étant donné
que le couple et la puissance ou le pouce est un facteur différent pour chaque avion
on s’orientera vers des moteurs à 3 ou 6 stator (bobine) pour des vitesses élevées
qui utiliseront de petites hélices à faibles pas.
Pour des avions du style: ailes volantes; rafale; mig f22 avion de haute vitesse,
qui offrent d’avantage de couples et permet de supporter de grandes hélices.
Reste le moteur intermédiaire qui lui, offre les deux possibilités avec cette limite. Biensûr,
il sera surtout utilisé dans de chokfly étant donné la possibilité de l’alléger un maximum.
Avantage moteurs (brushless)
Rendement au maximum d’une grande durée de vie
Fiabilité de vol
Souplesse à haute vitesse avec une taille avantageuse plus de parasites électriques
Finit le bruit acoustique et mécanique les cliquetis, les vibrations à haute vitesse disparaissent
A la portée de tout le monde et on peut construire soi-même
Passon a la pratique
Dans tout les moteurs on peut y trouver des étoiles en passant du CD-ROM au disque dur de pc

Bien sur les lecteurs video et tout les moteurs divers comme certaine pompe de machine a laver on de magnifique étoiles les perçeuses, les moulins à café, les ponçeuses le vieux sèche cheveux
Voici une tranche d'étoile de perçeuse l'avantage est que l on peut choisir dans la masse l'épaisseur que l'on desire
ici des étoiles de différentes sortes video,cd-rom,disque dur, perçeuse
Les
étoiles a 24 bobines sont idéales pour les
hélicos puisque les pales seront en direct sur l'axe moteur
vu le couple qu'il founit

Le rotor
Le rotor est la parie mécanique qui comme son nom l'indique cest celle qui tourne plus ou moins vite
suivant l'intensité du courant fourni. Dans notre cas deux possibilités.
le brushless a cage tournante le plus répandu cest celui ou cest l'extérieur du moteur qui tourne
Le brusheless a rotor central là cest l'intérieur bobiné qui tourne .
Rotor a cage tournante rotor Central


Le Bobinage
Des bobinages il y en a des centaines de différents les plus courants sont ces ci
la vertion la plus courrante etant le 9 poles
Bien entendu il y a plusieurs sorte et de type de bobinage suivant la consommation que l'on veut avoir
suivant le nombre de spir et de brins que l'on bobinne on peus selectioner une puissance et une consomation adaptée a ses besoins
en enroulant 3 tour de fil de cuivre de 040 par volt on obtient un rapport conso pour un nombre de tour résonnable ce qui est sur c est qu'il faut atteindre +- 6000 a 7000 tour minute pour un bon résulat en vol si on veut avoir de puissance a son moteur on doit augmenter la section du fil de cuivre si on veut de la vitesse il faut diminuer le nombre de tour du fil le nombre de pole intervient pour le rendement
On choisira plutot un 3 ou un 6 poles pour les deltas et l'aile volante vu que cette configuration a l'avantage de monter tres haut en tour minute
On choisira un 9 poles pour la voltige vu que cest le compromis entre la vitesse et la puissance
On choisira un 12 poles pour des modèles lent sans accrobatie vu le couple extraordinaire que le 12 poles peut fournir, il permait de placer de grande hélice


Quelques bobinages les plus rependus
3 poles 4 aimants Peut de couple mais haute vitesse
Les 3 poles se bobine sur une
étoile (stator) de spid 300 ou 400

Ne pas oubier que à chaque bobinage le variateur dois être régler suivant son réglage en degré voir le tableau ci-dessous
Le tableau ci dessous montre quelques variantes de configuration en fonction du nombre de bobines, du nombre de pôles magnétiques et du nombre de phases
|
Bobines |
Pôles -aimants |
Phases |
connexion |
Pas (deg) |
|
3 |
2 |
3+N |
étoile |
120 |
|
3 |
4 |
3 |
triangle |
60 |
|
6 |
2 |
3 |
triangle |
60 |
|
6 |
4 |
3 |
triangle |
30 |
|
6 |
8 |
3 |
triangle ou étoile |
15 |
|
6 |
10 |
3 |
triangle ou étoile |
12 |
|
6 |
14 |
3 |
triangle ou étoile |
8.50 |
|
9 |
12 |
3 |
triangle ou étoile |
10 |
|
12 |
8 |
3 |
triangle ou étoile |
15 |
|
12 |
14 |
3 |
triangle ou étoile |
4.30 |
|
12 |
16 |
3 |
triangle ou étoile |
7.5 |

Que dire sur les aimants permanents
A part qu'il y en a des tonnes de différents Les aimants permanents simple sont des pièces qui ont différentes formes Un aimant simple est polarisé sous la forme de 2 pôles (Nord et Sud)
Voici quelques aimants différents
Ferrite , AlNiCo , Samarium-Cobalt , Fer Chrome Cobalt , Néodyme , Fer Chrome Cobalt
Sachant que la puissance de l' aimant joue sur la puissance de votre futur moteur choisissé plutot du
Néodyme

Placer d'abord vos aimants
sur une table nord sud nord sud comme l'image ci-dessous

Emplacement des aiments


La récupération
d'éléments
Avec un peu d'imagination et de débrouille il est possible de se procurer des pièce et du matériel très facilement
Pour ma part je me fournis essentièlement dans des foires, marché au puce voir même des magasins informatiques .
Lorsqu'il sagit de fil électrique, les encombrants et les déchètterie fournisse tout sorte de machine suceptible de fournir du fil .
Dans certain garage de clarck et chariot élévateur il est possible de se fournir en relais déffectueux mais qui nous conviennent parfaitement.
Voila en gros .
Pour la suite du matériel détail plus bas dans cette page
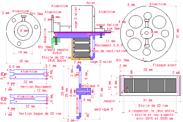
Les lecteurs de CD-ROM on presque tout ce qu'on a besoin pour se faire son prope moteur qu'on soit un pro de la mécanique ou un amateur.

Récupérez les tiges du chariot de la tête de lecteur du CD-ROM ils serviront pour l'axe de votre moteur.
Ils sont calibrés à 3mm parfait pour les loger dans la bague en laiton ou votre roulement de votre futur moteur.
Si
vous ne possédez pas
de roulement de 3mm récuperé la bague en laiton
de votre
étoile a l 'aide d'un chasse goupille elle
servira de palié pour votre futur moteur plus
économique que les roulements mais demande un peu
d'entretien huilé
régulièrrement vos bagues
les
micros roulements reste assez couteux mais offre une qualité
de
moteur assez résitante aux autres vitesses
pour les cages munissez vous de tube de fer plus la teneur en fer est élevée plus votre moteur fournira de la puissance
l'idéal sont les tubes que l'on utilisent pour les installations de fluide termique il sont à grande teneur en fer
plus votre tube rouille plus la teneur en fer est élevé meilleur sera votre moteur et ils ont la
particularité d'être asser épais ce qui donne de la marge pour le travailler, les tubes d'aciers sont a déconseiller
du à leur faible teneur en fer et leur fragiliter au choc pour les flasque et les moilleux on se fournira
en aluminium pour aléger le moteur
Pour les aimants 3 solutions s'offre a vous primos la meilleure est de les commandés via internet deusio récupérer les dans la lentille de la tête de lecture du CD-ROM il y en a régulierment 3 ou 4 mais il faus avoir plusieurs même CD tersio garder l'aimant circulaire de votre CD-ROM mais là le problème sera la consommation de votre futur moteur grimperas en flèche plus le grade de votre aimant sera elevé plus vous obtiendrez de la puissance

Pour le fil de cuivre comme tout le reste on peus faire de la recup les relais de clark electrique sont les meilleures source les bobines de ce relais nous fournises une large plage de dimention de 020 a 1nn de" diamètre les inducteurs de tube catodique de tv de perçeuse de moulin a café de mix soupe et les vieux transfos sont une source possible tout relais susceptible a avoir du bobinage
Reste plus qu' a touver son étoile la bonne bien sur tellement de modèle sur le marcher de la recup la plus part dans des CD-ROM bien sur mais également dans tous type de moteur comme les têtes videos, les têtes platines de salon, les perçeuses, mix soupe enfin dans tous types de moteur élecrique il y a une étoile qui fera votre bonheur
Voici les récups importante avant de jeter votre CD-ROM
Trois
pièces essentielles a la construction de votre futur moteur

On
oublie ou bien on ne le sait pas mais derriere la
tête du lecteur ce touve 2 voir même 4 aimants bon
a savoir lorsque l'on peut récupérer plusieurs
même CD-ROM

Pour un modéliste tout a son importance la recup ce fait a tout les domaine içi on voit que dans un mix-soup il y a un rotor qui servira a concevoir plus de 6 moteurs vu la longueur de l'étoile
Mais également on se servira du fil enroulé autour du stator qui la en occurance du fil de 030 l'un des plus employés
Bien entendu il faut penser recup ??? alors içi des bobinnes de relais de clark très bonne affaire a faire puisqu'on les trouves de toutes les tailles de tous les diamètres possible avec des centaines de mètres de fils des relais de flippeur la aussi la bonne afaire plusieurs type de bobinne a récupérer tout les vieux transformateurs comme l'image a droite le montre il y a toujours deux bobinages différents a réccupérer la haute tension qui servira pour des actuateurs la basse tension pour vos moteurs

Le
Brushless a la portée de tous

On
récupère l'étoile d'un CD-ROM avec la
cage d'origine et son aimant cylindrique d'origine un tube d'aluminium
collé a l'époxi ou un tube de cuivre
soudé a l'étain, comme support pour le moteur un
bout de tige que l'on a récupéré sur
le chariot du CD-ROM qui servira d'axe moteur et un palomier de servo
fera l'affaire pour servir de support d'hélice qui tiendras
l'élastique et voila le tour est joué

Moteur terminé
Les inconvenients c'est qui risque de consommer plus qu' un moteur fait sur un tour mais a la portée de tous pour pas grands chose et le plaisir de le faire soi- même

Aperçu De toutes les pieces d'un Brushless Perso



